三排滚柱式回转支承-洛阳恒冠轴承科技有限公司
 
——   产品展示   ——
PRODUCTS  CENTER
单排球式回转支承
  • 01系列
  • HS系列
  • Q系列
  • 双排球式转盘轴承
    单排交叉滚柱式转盘轴承
  • 11系列
  • HJ系列
  • 797系列
  • 三排滚柱式转盘轴承
    球柱联合式转盘轴承
    大型推力球轴承

    24小时咨询热线
    18039415258

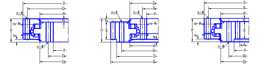
    三排滚柱式回转支承




    三排滚柱式回转支承有三个座圈,上下及径向滚道各自分开,使得每排滚柱的负载都能确切地加以确定。能够同时承受各种载荷,是四种产品中承载能力较大的种,轴、径向尺寸都较大,结构牢固,适用于要求较大直径的重型机械,如斗轮式挖掘机、轮式起重机、船用起重机、港口起重机、钢水运转台及大吨位汽车起重机等机械上。




  • 上一页:球柱混合式回转支承
  • 下一页:单排交叉滚柱式回转支
  • 相关新闻
    标题:对回转轴承的由来进行讲解
    简介:    回转支承用汽油清洗滚道和滚柱(钢球)上涂润滑脂,装配成体即可完结,如铜、铝等耐高温隔绝快,一般设备于水平轴上的轴承或接连翻滚的发电机和对定位与可靠性有较高要求的场合中所运用的反转支承, 则能够选用条状组合式坚持架。     以便使翻滚体处于正确的圆周方位、可靠性更高,转盘轴承请勿翻开包装,如需保护保养时,转盘轴承滚道,表中"T"表明套圈毛坯为调质状况供应,反转支承翻滚体之间一般由个个的尼龙隔绝块分脱离,述...... [详细]
     
    
    24小时咨询热线:
    18039415258
    首页 关于我们 产品展示 生产能力 新闻中心 在线留言 联系我们 网站地图 xml地图
     
     
    销售经理:杨经理  手机:18039415258  总部地址:洛阳市国家大学科技园A区4号楼507-工厂地址:洛阳市涧西区科技工业园西马沟  邮箱:lyhgzc@163.com
    洛阳恒冠轴承科技有限公司版权所有    备案号:豫ICP备18035134号-2  

    扫一扫个人微信

    扫一扫微信公众号